Aller au contenu principal
Profil
scientifique
public
Display the search form
Hide the search form
Rechercher
Appliquer
Français
English
e-space
La recherche
Close the Search menu
Bourse, mandats, ...
Bourse, mandats, ...
Doctorat (R1)
Doctorat (R1)
Aspirant·e - ASP
Boursiè·re FRIA
Boursiè·re FRESH
Candidat·e spécialiste doctorant·e - CSD
Spécialiste doctorant·e - SD
Vétérinaire clinicienn·e-chercheur·euse doctorant·e - VETE-CCD
Doctorant·e Télévie
Bourse de doctorat de l’IUE
Bourse spéciale de doctorat - BSD
Doctorat (R1)
Aspirant·e - ASP
Boursiè·re FRIA
Boursiè·re FRESH
Candidat·e spécialiste doctorant·e - CSD
Spécialiste doctorant·e - SD
Vétérinaire clinicienn·e-chercheur·euse doctorant·e - VETE-CCD
Doctorant·e Télévie
Bourse de doctorat de l’IUE
Bourse spéciale de doctorat - BSD
Post-doctorat (R2)
Post-doctorat (R2)
Chargé·e de recherches - CR
Candidat·e Spécialiste Postdoctorant·e - CSPD
Spécialiste Postdoctorant·e - SPD
Postdoctorant·e Télévie
Post-doctorat (R2)
Chargé·e de recherches - CR
Candidat·e Spécialiste Postdoctorant·e - CSPD
Spécialiste Postdoctorant·e - SPD
Postdoctorant·e Télévie
Statut permanent (R3) et promotion (R4)
Statut permanent (R3) et promotion (R4)
Chercheur·euse qualifié·e - CQ
Maître de recherches - MR
Directeur·rice de recherches - DR
Chercheur·euse Clinicien·ne - CCL
Statut permanent (R3) et promotion (R4)
Chercheur·euse qualifié·e - CQ
Maître de recherches - MR
Directeur·rice de recherches - DR
Chercheur·euse Clinicien·ne - CCL
Projets, crédits, ...
Projets, crédits, ...
Projets de recherche - PDR
Crédits de recherche - CDR
Mandats d’impulsion scientifique - MIS
Projets de recherche thématique
Projets de recherche thématique
Projet de recherche thématique - PDR-THEMA
Audacious Medical Grant - AMG
Projets Télévie
Fonds de recherche en Art - FRArt
Institut Interuniversitaire des Sciences Nucléaires - IISN
Projets de recherche thématique
Projet de recherche thématique - PDR-THEMA
Audacious Medical Grant - AMG
Projets Télévie
Fonds de recherche en Art - FRArt
Institut Interuniversitaire des Sciences Nucléaires - IISN
Projets de recherche stratégique
Projets de recherche stratégique
Recherche fondamentale stratégique - WELBIO et WEL-T
Programme WelCHANGE
Projets de recherche stratégique
Recherche fondamentale stratégique - WELBIO et WEL-T
Programme WelCHANGE
Projets de recherche internationaux
Projets de recherche internationaux
Projets bilatéraux de Mobilité - PINT-BILAT-M
Projets bilatéraux de Recherche - PINT-BILAT-P
Projets multilatéraux de Recherche - PINT-MULTI
Initiative Weave
Projets de recherche internationaux
Projets bilatéraux de Mobilité - PINT-BILAT-M
Projets bilatéraux de Recherche - PINT-BILAT-P
Projets multilatéraux de Recherche - PINT-MULTI
Initiative Weave
Équipements et infrastructures
Équipements et infrastructures
Équipements - EQP
Infrastructures et Grands équipements - INFRA-GEQ
Équipements et infrastructures
Équipements - EQP
Infrastructures et Grands équipements - INFRA-GEQ
International & Mobilité
International & Mobilité
Projets internationaux
Projets internationaux
Projets bilatéraux de Mobilité – PINT-BILAT-M
Projets bilatéraux de Recherche – PINT-BILAT-P
Projets multilatéraux de Recherche – PINT-MULTI
Initiative Weave
Projets internationaux
Projets bilatéraux de Mobilité – PINT-BILAT-M
Projets bilatéraux de Recherche – PINT-BILAT-P
Projets multilatéraux de Recherche – PINT-MULTI
Initiative Weave
Réseaux et infrastructures
Réseaux et infrastructures
ESSurvey
Soutien aux réseaux scientifiques et infrastructures internationaux
Réseaux et infrastructures
ESSurvey
Soutien aux réseaux scientifiques et infrastructures internationaux
Mobilité
Mobilité
Projets bilatéraux de recherche - PINT-BILAT-M
Financements conjoints FNRS-WBI
Mobilité - Monde
Mobilité - Pays spécifiques
Mobilité
Projets bilatéraux de recherche - PINT-BILAT-M
Financements conjoints FNRS-WBI
Mobilité - Monde
Mobilité - Pays spécifiques
Soutien à la recherche
Soutien à la recherche
Incitant Horizon Europe (INCITANT-EU)
Support for ERC Proof of Concept (FNRS POC)
ESSurvey
Soutien à la recherche
Incitant Horizon Europe (INCITANT-EU)
Support for ERC Proof of Concept (FNRS POC)
ESSurvey
Diffusion & Échanges
Diffusion & Échanges
Subsides pour publications scientifiques
Organisation d'une réunion scientifique
Fonds international Wernaers pour la recherche et la diffusion des connaissances
Groupes de contact
Ecoles doctorales
Prix & Mécénats
Prix & Mécénats
Prix scientifiques (SVS, SEN, SHS)
Prix scientifiques (SVS, SEN, SHS)
Prix Quinquennaux du FNRS (SVS, SEN, SHS)
Prix Gagna & Van Heck pour les maladies incurables (SVS)
Prix d'Endocrinologie, Diabète et Métabolisme (SVS)
Prix Lambertine Lacroix en oncologie et maladies cardio-vasculaires (SVS)
Prix scientifiques de la Fondation AstraZeneca (SVS)
Prix Oswald Vander Veken pour les tumeurs de l'appreil locomoteur (SVS)
Prix du Centre d'Etudes Princesse Joséphine-Charlotte en virologie (SVS)
Chaire SCK CEN Roger Van Geen en sciences nucléaires (SEN, SHS, SVS)
Prix Eugène Yourrassowsky en microbiologie médicale et maladies infectieuses (SVS)
Prix scientifique Nokia Bell en technologie de l'information et de la communication (SEN)
McKinsey & Company Scientific Award (SEN, SHS, SVS)
Antonella Karlson Award (SEN)
Prix scientifiques (SVS, SEN, SHS)
Prix Quinquennaux du FNRS (SVS, SEN, SHS)
Prix Gagna & Van Heck pour les maladies incurables (SVS)
Prix d'Endocrinologie, Diabète et Métabolisme (SVS)
Prix Lambertine Lacroix en oncologie et maladies cardio-vasculaires (SVS)
Prix scientifiques de la Fondation AstraZeneca (SVS)
Prix Oswald Vander Veken pour les tumeurs de l'appreil locomoteur (SVS)
Prix du Centre d'Etudes Princesse Joséphine-Charlotte en virologie (SVS)
Chaire SCK CEN Roger Van Geen en sciences nucléaires (SEN, SHS, SVS)
Prix Eugène Yourrassowsky en microbiologie médicale et maladies infectieuses (SVS)
Prix scientifique Nokia Bell en technologie de l'information et de la communication (SEN)
McKinsey & Company Scientific Award (SEN, SHS, SVS)
Antonella Karlson Award (SEN)
Projets de recherche (SVS)
Projets de recherche (SVS)
Prix Biomédical Baillet Latour
Prix Generet pour les maladies rares
Prix Clerdent pour les maladies neurologiques humaines
PDR Thema en maladies cardio-vasculaires
Audacious Medical Grants en oncologie
Audacious Medical Grants en maladies pédiatriques
Audacious Medical Grants en neurologie
Projets de recherche (SVS)
Prix Biomédical Baillet Latour
Prix Generet pour les maladies rares
Prix Clerdent pour les maladies neurologiques humaines
PDR Thema en maladies cardio-vasculaires
Audacious Medical Grants en oncologie
Audacious Medical Grants en maladies pédiatriques
Audacious Medical Grants en neurologie
Bourses et Grants (SVS, SEN, SHS)
Bourses et Grants (SVS, SEN, SHS)
KickCancer Clinical Investigator Grants (SVS)
Crédits Supplémentaires de Fonctionnement en oncologie (SVS)
Crédits Supplémentaires de Fonctionnement pour les femmes en sciences exactes et naturelles (SEN)
Bourses Sofina Boël de mobilité pour doctorant (SEN, SHS, SVS)
Bourses et Grants (SVS, SEN, SHS)
KickCancer Clinical Investigator Grants (SVS)
Crédits Supplémentaires de Fonctionnement en oncologie (SVS)
Crédits Supplémentaires de Fonctionnement pour les femmes en sciences exactes et naturelles (SEN)
Bourses Sofina Boël de mobilité pour doctorant (SEN, SHS, SVS)
Vulgarisation scientifique (SEN, SHS, SVS)
Vulgarisation scientifique (SEN, SHS, SVS)
Bourse de spécialisation en communication et vulgarisation scientifique
Prix Wernaers pour la vulgarisation scientifique
Subvention à des médias contribuant au développement de l'intérêt pour la culture scientifique
Vulgarisation scientifique (SEN, SHS, SVS)
Bourse de spécialisation en communication et vulgarisation scientifique
Prix Wernaers pour la vulgarisation scientifique
Subvention à des médias contribuant au développement de l'intérêt pour la culture scientifique
Télévie (SVS)
Télévie (SVS)
Doctorant·e Télévie
Projets Télévie
Télévie (SVS)
Doctorant·e Télévie
Projets Télévie
Règlements & Guides, RH
Évaluation, Commissions scientifiques
Analyses d'appels et études
Recherches financées par le FNRS (DataScops)
Portail des publications scientifiques (PeriScops)
OCN: Organe de concertation et de négociation sociale
NCP & Horizon Europe
EURAXESS
Observatoire de la Recherche et des Carrières scientifiques
Appels et Financements
Résultats des appels
Accueil
À propos
Missions
Gouvernance et Fonds spécialisés
Financement public
Financement privé
L'opération Télévie
Le FNRS à l'international
Rapports d'activités
Analyses d'appels et études
Histoire du FNRS
Nos engagements
Évaluation de la recherche
Open Science
Éthique et transparence
Intégrité scientifique
Data Management Plan
Genre et inclusion
Expérimentation animale
En résumé
Actualités & médias
Actualités
Magazine FNRS.news
Newsletter FNRS.express
FNRS.tv
Télévie.news
Espace presse
Logos & Charte graphique
Contacts
CHOISISSEZ VOTRE LANGUE
Français
English
Actualités
Fil d'Ariane
Accueil
Actualités
Chercher
Valider
2228 résultats
Filtres
Skip filters
Filtrer
Close filters
Type d'actualité
Archive
FNRS
Internationales
Scientifiques
Tags
Annonces
Appel
Award
Découverte
Communiqué de presse
CRef
FNRS.awards
FNRS.news
FNRS.tv
FRArt.fnrs
International
Mobilité
News FNRS
News Sciences
Observatoire
Résultats
Télévie
Televie.news
WEAVE
Le CRef recherche un(e) Gestionnaire administratif(ve) (H/F/X)
Publié le 18 juin 2023
Cerveau des entrepreneurs : les chercheurs mettent en évidence une flexibilité cognitive accrue
Publié le 15 juin 2023
Peut-on encore encadrer l’intelligence artificielle ? L’Europe y croit et s’y colle avant tout le monde
Publié le 15 juin 2023
Z Science – Sciences du langage avec Véronique Delvaux
Publié le 15 juin 2023
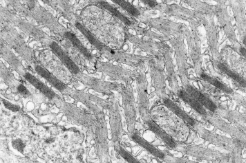
Fibres musculaires : une organisation inattendue
Publié le 14 juin 2023
Négocier la décolonisation - Les limites d'un conte de fées
Publié le 14 juin 2023
GreenEraHub 1st Call “Contributions towards a sustainable and resilient agri-food system”
Publié le 14 juin 2023
Félicitations à Samuel Fiorini et Serge Massar récompensés par le Prix Gödel
Publié le 13 juin 2023
Une nouvelle stratégie thérapeutique potentielle pour la maladie de Steinert
Publié le 13 juin 2023
Une découverte de l’Institut de Duve publiée dans Nature : une approche innovante qui pourrait améliorer l’efficacité de l’immunothérapie du cancer
Publié le 12 juin 2023
Lambertine Lacroix Award 2024 : Call for Applications
Publié le 07 juin 2023
Z Science : rencontre avec Simon Dellicour ce mercredi 7 juin
Publié le 07 juin 2023
Z Science – Épidémiologie avec Simon Dellicour
Publié le 07 juin 2023
Première mondiale : traitement d’une malformation vasculaire in utero par des équipes des Cliniques Saint-Luc et de l’Institut de Duve (UCLouvain)
Publié le 07 juin 2023
Maëlle Bottin, Boursière FRIA FNRS, remporte la finale interuniversitaire belge de Ma thèse en 180 secondes !
Publié le 06 juin 2023
Charger plus de contenu